Body cavity lined with copper (in progress) . . . check
Wiring complete . . . check
Tune up, let it rest a bit and redo the action & intonation . . . working on it . . .
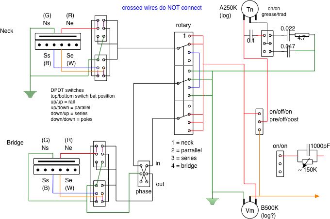
Ok it was a little more complicated than that . . .
. . . there was a faulty switch in the neck PU coil selection unit that took me a while to run down, though I learned a new trick soldering switches . . . or maybe relearned an old one.
. . . the original placement of the treble bleed prevented the guard from falling into the right place . . . and then when bent to a more 'convenient position' shorted out against the copper lining.
. . . when testing the resistance readings got really weird . . . due to a inversely wired tone pot . . . and then the volume pot behaved weird (see below).
. . . and then there is the switch in the tone circuit that behaves . . . not like it should . . . despite testing OK . . . 3 times . . . there seems to be some kind of 'non continuity' there that prevents the tone pot from correctly shunting signal to ground via the cap . . . which may be a wiring fault . . .
The coil selection (where I though I had a wiring fault) now works flawlessly; GOOD. The treble bypass is quite subtle but noticeable. However, my trim pot went missing so I'll have to redo that part once a replacement comes in; OK. And then there is the tone knob . . . I think I have another faulty switch there - despite the fact that it seemed to check correctly - as there is something weird going on, I get (almost?) no tone rolloff when I have it in the prevolume position, while it - occasionally - DOES work when in the postvolume position . . . SO . . . that's another thing to check out . . . . .
OH and this IS the LAST time I do anything this COMPLICATED . . . . . . . . . . . . the rewire took two solid days of work to complete . . . . . .
. . . and there is something WEIRD on the volume pot; if you measure resistance between the IN & OUT lugs of the volume pot when wired up the resistance goes from 0 to 480K (or so) when turning the wiper and then on the last 5% of the range or so DROPS almost instantly to almost 0 on one of my multimeters . . . . the pot itself is fine . . . I unwired and rewired it twice thinking I had damaged it in soldering the leads . . . it behaves as it should but there is something WEIRD going on in the circuit . . . I'll have to see if I can run down next time I get the guard off.


